全國服務熱線:
400-027-0207
服務熱線:400 027 0207 銷售熱線:027-87387127
技術熱線:15827027987
商務熱線:15907150602
傳真:027-87387127
QQ:2609016073 微信:tailulai
郵箱:2609016073@qq.com; tailulai@163.com;
地址:武漢市江岸區工農兵路87號
一、產品簡介
NCS-WSB-3百葉箱溫濕度氣壓傳感器大氣壓力部分使用壓阻式硅微機傳感器,濕度傳感部分采用電容性聚合體測濕敏感元件,溫度傳感部分采用一個用能隙材料制成的測溫元件,溫濕度芯片全量程校準,它們都具有測量精度高、響應迅速、抗干擾能力強、穩定性好等特點。信號變送器采用先進的電路集,成模塊,采用RS485信號輸出,保證了傳感器的精度不丟失。儀器體積小巧,安裝方便且便攜,性能可靠;可廣泛應用于氣象觀測、環境控制、農業、工廠等諸多領域。
二、產品特性
★出廠雙重校準,測量精準。
★農二次線性標定,數據穩定。
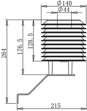
三、安裝尺寸圖(尺寸單位:mm)

四、技術參數

五、應用場景
